关于公开征求《六安市中心城区停车国土空间专项规划(2022-2035年)》(文本征求意见稿)意见的公告
- 征集公告
- 征集渠道
- 网络渠道意见及采纳情况
- 其他渠道意见及采纳情况
- 征集小结(结果反馈)
- 文件
- 解读
为广泛听取社会公众意见,增强规划的公开性和透明度,进一步提高规划质量,现将我局牵头起草的《六安市中心城区停车国土空间专项规划(2022-2035年)》(文本征求意见稿),公开征求社会公众意见,具体事项如下:
一、征集时间:2024年6月6日至2024年7月6日。
二、征集方式:
(一)登录六安市人民政府网“全市政府网站意见征集平台”(http://www.luan.gov.cn/hdjl/yjzjk/yjzjk/index.html)或六安市城市管理行政执法局网站“征集调查”栏目(http://cgj.luan.gov.cn/hdjl/yjzj/index.html)留言;
(二)信函方式,邮寄地址:六安市裕安区振华西苑1号-013东南方向59米六安市市政工程管理处,邮政编码:237000;
(三)电子邮件方式,邮箱:617394491@qq.com;联系电话:0564-3377065。
来函来件,请在信封表面或者来件主题注明“六安市中心城区停车国土空间专项规划意见”字样。
附件:1.《六安市中心城区停车国土空间专项规划(2022-2035年)》(征求意见稿)起草说明
2.《六安市中心城区停车国土空间专项规划(2022-2035年)》(征求意见稿)
2024年6月6日
关于《六安市中心城区停车国土空间专项规划(2022-2035年)》(征求意见稿)的起草说明
为保障中心城区停车用地需求、科学合理安排相关建设项目,根据市政府工作安排,我局组织起草了《六安市中心城区停车国土空间专项规划(2022-2035年)(征求意见稿,以下简称《专项规划》),现将有关情况说明如下:
一、《专项规划》的起草背景
近年来,国家高度重视治理城市停车难,强调科学编制停车设施规划在解决“停车难”问题中的引领作用。根据公安部、住房和城乡建设部《关于加强和改进城市停车管理工作的指导意见》公交管〔2019〕345号,《国务院办公厅转发国家发展改革委等部门关于推动城市停车设施发展意见的通知》(国办函〔2021〕46号)、《关于近期推动城市停车设施发展重点工作的通知》(发改办基础〔2021〕676号)、《安徽省城市停车场建设行动方案》(建城〔2019〕120号)等文件精神,按照《安徽省国土空间规划委员会办公室关于开展国土空间专项规划编制工作的通知》(皖国土规办〔2021〕18号)和六安市国土空间规划编制清单要求,特开展《六安市中心城区停车国土空间专项规划》。
二、《专项规划》的制定依据与起草过程
(一)制定依据。《专项规划》的制定主要依据国务院《中华人民共和国城乡规划法》、《城市停车设施规划导则》(建城[2015]129号)、《城市停车规划规范》(GB/T51149-2016)等相关规范要求,同时参考了安徽省人民政府《安徽省国民经济和社会发展第十四个五年规划和2035年远景目标纲要》、六安市人民政府《六安市国民经济和社会发展第十四个五年规划和2035年远景目标纲要》、市自然资源和规划局《六安市国土空间总体规划(2021-2035年)》等规划文件。
(二)制定过程。市城管局十分重视《专项规划》的起草工作,本规划自2022年6月启动以来,按照工作计划有序推进,已完成现状调研、问卷调查、初稿编制、意见征求等工作内容,多次组织各科室负责人进行审查,对重点问题进行专题讨论。成果修改完善后通过会议、座谈等方式,多次、广泛地征求市级相关部门的意见,经多次修改后,于2022年11月12日完成征求意见稿。
三、《专项规划》主要内容的说明
(一)明确停车规划目标。
形成以配建为主,路外公共停车场为辅,路内公共泊位为补充,体现新城适度、老城控制的停车供应体系,并通过智慧加持,政策机制建立,规范停车秩序,提升城市空间颜值,助力六安市打造“水城六安、绿城六安、文城六安”,建设理想的宜居城市。近期以问题为导向,缓解重点片区停车供需矛盾。泊位总数控制在小汽车拥有量的 1.3 倍;配建泊位与公共泊位占比分别达到80%-90%、10%-20%。远期以目标为导向,满足车辆总体停车需求。泊位总数控制在小汽车拥有量的 1.2 倍;配建泊位与公共泊位占比分别达到 85%-95%、5%-15%。
(二)停车分区明确区域政策
针对不同的供需平衡策略,不同的现状和规划设施条件,不同的停车发展阶段,将六安市中心城区主城区分为一类区、二类区、三类区共三个大类。在进行停车需求预测的过程中,根据六安市用地特征、交通运行特征、控规编制单元和本次需求预测目标,将六安市研究范围划分成5 个交通大区、26 个交通小区。
(三)停车总体规划
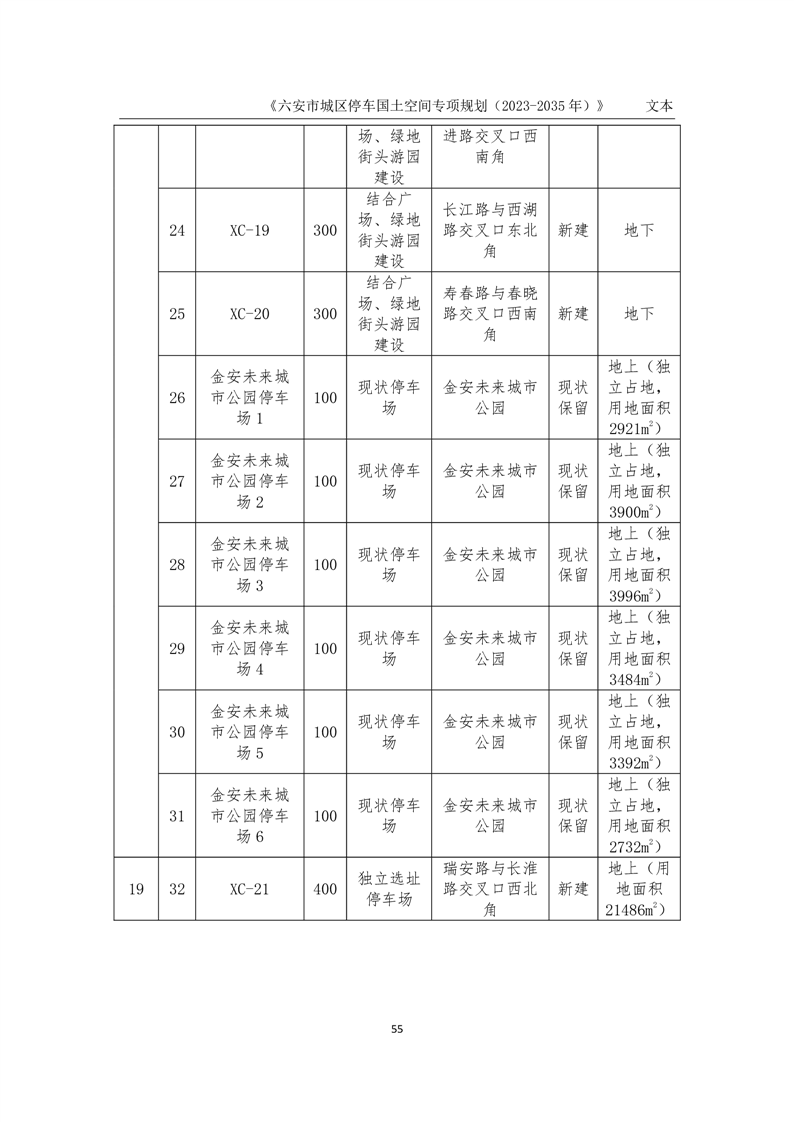
本次六安市中心城区主城区停车泊位规划为 50596 个,现状停车位共 89 处,泊位为 15391 个,停车泊位缺口 35205 个,方案新增规划停车场 200 个,共 38722 个泊位,满足规划需求。依据六安市停车现状、需求预测及为来年城市用地规划、道路网交通规划等,规划近期在现状 22602 个路内泊位的基础上新增 775个,取消产权不清晰车位 1675 个,近期路内泊位总数为 21702 个。规划远期在现状 21702 个路内泊位的基础上新增 9210 个,泊位总数为 30912 个,主要分布于商业广场、公共基础设施及医疗卫生设施周边。结合六安市货运枢纽规划,工业园区和物流仓储用地布局,结合城市出入口,本次规划新增以下 5 处货运停车场,根据国土空间总体规划中心城区主城区用地布局,远期取消现状 2 处货运停车场。
其他渠道意见及采纳情况
|
征集单位 |
六安市城市管理行政执法局 |
日期:2024年7月26日 |
||||
|
序号 |
反馈单位或个人 |
提出意见 |
是否采纳 |
是否采纳原因或理由 |
修改后表述 |
来源 |
|
1 |
六安市金安区城市管理行政执法局 |
在金安经济开发区工业片区的要设置大型车辆停车场,且不少于两个。国防及警官学校周边要考虑。 |
采纳 |
规划于金安经济开发区工业片区一元大道和长江东路交口,结合物流仓储用地旁布置大型货车停车场一处。 |
|
书面 |
|
2 |
路内停车设施多设置在老旧小区周边。在带有大量地下停车位的新建小区周边道路不宜过多。不能照炒合肥模式。不利于地下停车库的使用。且不赞成在主干路上设置停车泊位。 |
采纳 |
已根据城市道路路内停车位设置规范GA/T850-2021优化路内停车泊位设置,对于不满足设置标准及影响行人及非动车通行的路内停车泊位进行取消,同时结合发展需要降低新增路内停车泊位数量,本次规划新增路内泊位主要集中设置于次干路及支路,主干路新增泊位主要分布于非机动车道,不影响车辆正常通行。 |
|
书面 |
|
|
3 |
在规划的轻轨站周边,尽量设置公共交通交换中心。 |
采纳 |
已结合市域大交通规划轨道交通站点布局,考虑P+R停车换乘需求,设置路外公共停车场。 |
|
书面 |
|
|
4 |
六安市住房和城乡建设局 |
根据城区立体(含地下)停车场审计问题整改措施,建议将三角台地下停车场、人民公园地下停车场等2个未实施且近期存在实际需求的停车场纳入在编城市更新规划,结合城市更新规划合理排定实施周期。 |
采纳 |
|
|
书面 |
|
5 |
六安市交通运输局 |
规划第一章P3:规划依据第28条,《六安市城区公交线网优化与城乡公交一体化规划(2018-2030)》,名称或年份有误,应为《六安市城区公交线网优化与城乡公交一体化规划(2016-2020)》。由于规划时间已过期,建议删除。 |
采纳 |
|
|
书面 |
|
6 |
P18表5-1月亮岛北部停车场和“十四五”《六安市公共交通发展规划(2021-2025)》规划的月亮岛公交首末站位置重叠,存在矛盾,处理好与公交首末站位置关系。 |
采纳 |
已校核现状调查,月亮岛停车场实际上是公交首末站,因现场调研时误统计为停车场。已同步调整修改普查报告和相关规划内容。 |
|
书面 |
|
|
7 |
城区占道路设置停车位应注意保持与沿途公交站点之间(台)的距离。按照道路交通安全法和《安徽省城市公共汽车管理条例》等相关条款规定,公交站点前后30米内不能设置社会停车位。 |
采纳 |
本次规划新增路内泊位主要根据片区用地布局需求确定,在具体布局过程中主要选择城市次干路及支路,规划设置数量要求非该路段最大可设置规模,已考虑了公交车站、单位出入口对车位设置的影响。 |
|
书面 |
|
|
8 |
六安市教体局 |
球拍路东西侧规划新建2所幼儿园。该地块为城市中心地带,周边有徽商小区、人民新村、万达·华府小区、金水湾小区、丽景苑小区、大市场小区、青年广场小区及在建的梅山新村小区,人口密集,区域内无公办幼儿园,幼儿入园困难。 建议:结合该地块开发利用或停车场建设,在球拍路东、西各布点一所360个学位幼儿园,以解决上述小区幼儿入园问题。我局已于10月28日请示市自然资源和规划局。请贵局在建设停车场同时,兼顾幼儿园建设,停车场建于地下或建立体停车场。 |
未采纳 |
本规划中球拍路周边停车场均为现状停车场,由于此区域现状停车场密度较高,因此没有新增规划停车场。 |
|
书面 |
|
9 |
城北副中心地下公共停车场或城北停车场1新建1所公办幼儿园。该地块隶属于城北镇,随着该地块的开发,入住人口逐年增加,由于寿春西路以北、梅山北路东西2侧无公办幼儿园,周边有帝景京安府等小区,群众子女入园困难。建议:结合停车场建设,布点建设1所公办幼儿园。 |
未采纳 |
布设公办幼儿园不属于停车场规划内容范畴。 |
|
书面 |
|
|
10 |
皋城中学西北角停车带,建议划给皋城中学。 |
未采纳 |
本次规划布设新增停车场为社会公共停车,权属是否划归皋城中学所有不属于本规划内容范畴。 |
|
书面 |
|
|
11 |
六安市自然资源和规划局 |
规划范围建议与在编国土空间总体规划进一步衔接。 |
采纳 |
规划范围为六安市中心城区六安城区范围,经进一步与《六安市国土空间总体规划(2021-2035年)》编制团队对接,确定规划范围为352.36平方公里。 |
|
书面 |
|
12 |
建议应进一步提高公共停车场泊位比例。根据《城市停车规划规范》GB/T51149-2016第4.2.3条公共停车场泊位比例应为10%-15%。本次规划预测六安主城区总需求为88.5-98.2万个,规划公共停车场泊位50596个,占比5.7%-5.2%,建议科学预测停车位需求,进一步优化布局方案,做好停车设施用地预留,逐步优化六安主城区停车供给结构。 |
采纳 |
根据国土空间规划及其他上位规划基础数据要求,预测2035年六安城区停车需求总量为61.9-68.6万个,结合相关规范要求预测公共6.72万个,占总停车泊位需求均值的10.8%。本次规划公共停车泊位总计73806个,其中路外公共停车泊位42894个,路内公共停车泊位30912个,满足预测需求 |
|
书面 |
|
|
13 |
建议进一步细化公共停车场用地选址深度,补充选址报告,并按照要求提交矢量文件。明确公共停车场建设形式和管控模式,独立占地的公共停车场应明确四至边界,结合地块综合开发的停车场应明确泊位规模、建议位置和可兼容建设的内容等。 |
采纳 |
已明确独立占地的公共停车场四至边界,并将矢量文件提交总规编制单位。 |
|
书面 |
|
|
14 |
补充完善轨道交通沿线及站点周边的公共停车场规划分析。合六市域铁路正在推动建设,建议结合轨道站点预留好P+R公共停车场,做好轨道客流接驳。 |
采纳 |
充分对接市域大交通的轨道交通站点规划,沿3条轨道线路周边预留好路外公共停车场和路内停车泊位,实现客流高效转换。 |
|
书面 |
|
|
15 |
方案中建筑物配建停车位等标准应与现行执行标准、相关规范衔接。如住宅小区地面停车率不得大于20%,现行标准为居住小区机动车泊位,住宅按1.3个/100平方米(其中地.上不多于0.1个/100平方米(根据消防、医疗、访客等需求适当配置),地下不少于1.2个/100平方米);商业按1.2个/100平方米(其中地_上不多于0.2个/100平方米.地下不少于1.0个/100平方米)。 |
采纳 |
已充分衔接六安市现行执行配建标准,参考国内先进地区和合肥市最新标准,调整建筑物机动车配建标准,并增加非机动车配建标准,细化现行配建标准。 |
|
书面 |
|
|
16 |
建议增加建筑物非机动车配建标准,充电桩设置标准。 |
采纳 |
已增加建筑物非机动车配建标准,充电桩配置标准研究。 |
|
书面 |
|
|
17 |
鉴于该规划已列入《六安市国土空间专项规划目录清单》,请对照有关文件要求和《安徽省国土空间专项规划衔接技术导则》补充和规范数据库成果,进一步深化和完善规划内容,确保纳入国土空间规划“一张图”,作为国土空间用途管制的依据,落实空间要素保障。 |
采纳 |
已对接衔接。 |
|
书面 |
|
|
18 |
六安市金安区人民政府 |
无意见 |
|
|
|
|
|
19 |
六安市裕安区人民政府 |
无意见 |
|
|
|
|
|
20 |
六安经济技术开发区管理委员会 |
无意见 |
|
|
|
书面 |
|
21 |
六安市人防办 |
无意见 |
|
|
|
书面 |
|
22 |
** |
学校附近停车难,接送孩子不方便;人民医院,万达等地点停车困难,人民医院因为停车位少,万达收费较贵。 |
采纳 |
优化对学校及周边区域的停车位布局,因地制宜增加路外及路内公共停车泊位。 |
|
网络留言 |
|
23 |
** |
建议老城区,该修地下停车场。老小区车位应该免费 |
采纳 |
对老城片区增加地下公共停车场,缓解用地紧张和停车难矛盾突出现象。规划暂未对停车收费政策进行修改。 |
|
网络留言 |
|
24 |
** |
应该制定分区域、分时段收费政策。对中心城区、上下班高峰期就应该提高收费。 |
未采纳 |
六安市已形成完善的停车收费政策,规划暂未对停车收费政策进行修改。 |
|
网络留言 |
|
25 |
** |
大东门,皖西路。建议结合城市更新,提高老城区的停车设施数量。 |
采纳 |
规划在老城片区结合城市更新改造增加14处路外公共停车场。 |
|
网络留言 |
征集小结(结果反馈)反馈时间:2024年7月26日 15时23分
为规范六安城区停车设施国土空间专项规划编制工作,缓解城市停车难问题,促进城市停车设施有序适度发展,按照部署要求,结合工作实际,市城管局组织起草了《六安市城区停车国土空间专项规划(2022-2035年)》(征求意见稿),并于2024年6月6日至7月6日,通过电子邮箱、网站公开、书面等方式向社会及有关单位征集相关意见和建议,共收到有关单位反馈意见21条,公众反馈意见4条,其中未采纳4条,吸收采纳17条,无意见4条,采纳情况详见下表。
|
征集单位 |
六安市城市管理行政执法局 |
日期:2024年7月26日 |
||||
|
序号 |
反馈单位或个人 |
提出意见 |
是否采纳 |
是否采纳原因或理由 |
修改后表述 |
来源 |
|
1 |
六安市金安区城市管理行政执法局 |
在金安经济开发区工业片区的要设置大型车辆停车场,且不少于两个。国防及警官学校周边要考虑。 |
采纳 |
规划于金安经济开发区工业片区一元大道和长江东路交口,结合物流仓储用地旁布置大型货车停车场一处。 |
|
书面 |
|
2 |
路内停车设施多设置在老旧小区周边。在带有大量地下停车位的新建小区周边道路不宜过多。不能照炒合肥模式。不利于地下停车库的使用。且不赞成在主干路上设置停车泊位。 |
采纳 |
已根据城市道路路内停车位设置规范GA/T850-2021优化路内停车泊位设置,对于不满足设置标准及影响行人及非动车通行的路内停车泊位进行取消,同时结合发展需要降低新增路内停车泊位数量,本次规划新增路内泊位主要集中设置于次干路及支路,主干路新增泊位主要分布于非机动车道,不影响车辆正常通行。 |
|
书面 |
|
|
3 |
在规划的轻轨站周边,尽量设置公共交通交换中心。 |
采纳 |
已结合市域大交通规划轨道交通站点布局,考虑P+R停车换乘需求,设置路外公共停车场。 |
|
书面 |
|
|
4 |
六安市住房和城乡建设局 |
根据城区立体(含地下)停车场审计问题整改措施,建议将三角台地下停车场、人民公园地下停车场等2个未实施且近期存在实际需求的停车场纳入在编城市更新规划,结合城市更新规划合理排定实施周期。 |
采纳 |
|
|
书面 |
|
5 |
六安市交通运输局 |
规划第一章P3:规划依据第28条,《六安市城区公交线网优化与城乡公交一体化规划(2018-2030)》,名称或年份有误,应为《六安市城区公交线网优化与城乡公交一体化规划(2016-2020)》。由于规划时间已过期,建议删除。 |
采纳 |
|
|
书面 |
|
6 |
P18表5-1月亮岛北部停车场和“十四五”《六安市公共交通发展规划(2021-2025)》规划的月亮岛公交首末站位置重叠,存在矛盾,处理好与公交首末站位置关系。 |
采纳 |
已校核现状调查,月亮岛停车场实际上是公交首末站,因现场调研时误统计为停车场。已同步调整修改普查报告和相关规划内容。 |
|
书面 |
|
|
7 |
城区占道路设置停车位应注意保持与沿途公交站点之间(台)的距离。按照道路交通安全法和《安徽省城市公共汽车管理条例》等相关条款规定,公交站点前后30米内不能设置社会停车位。 |
采纳 |
本次规划新增路内泊位主要根据片区用地布局需求确定,在具体布局过程中主要选择城市次干路及支路,规划设置数量要求非该路段最大可设置规模,已考虑了公交车站、单位出入口对车位设置的影响。 |
|
书面 |
|
|
8 |
六安市教体局 |
球拍路东西侧规划新建2所幼儿园。该地块为城市中心地带,周边有徽商小区、人民新村、万达·华府小区、金水湾小区、丽景苑小区、大市场小区、青年广场小区及在建的梅山新村小区,人口密集,区域内无公办幼儿园,幼儿入园困难。 建议:结合该地块开发利用或停车场建设,在球拍路东、西各布点一所360个学位幼儿园,以解决上述小区幼儿入园问题。我局已于10月28日请示市自然资源和规划局。请贵局在建设停车场同时,兼顾幼儿园建设,停车场建于地下或建立体停车场。 |
未采纳 |
本规划中球拍路周边停车场均为现状停车场,由于此区域现状停车场密度较高,因此没有新增规划停车场。 |
|
书面 |
|
9 |
城北副中心地下公共停车场或城北停车场1新建1所公办幼儿园。该地块隶属于城北镇,随着该地块的开发,入住人口逐年增加,由于寿春西路以北、梅山北路东西2侧无公办幼儿园,周边有帝景京安府等小区,群众子女入园困难。建议:结合停车场建设,布点建设1所公办幼儿园。 |
未采纳 |
布设公办幼儿园不属于停车场规划内容范畴。 |
|
书面 |
|
|
10 |
皋城中学西北角停车带,建议划给皋城中学。 |
未采纳 |
本次规划布设新增停车场为社会公共停车,权属是否划归皋城中学所有不属于本规划内容范畴。 |
|
书面 |
|
|
11 |
六安市自然资源和规划局 |
规划范围建议与在编国土空间总体规划进一步衔接。 |
采纳 |
规划范围为六安市中心城区六安城区范围,经进一步与《六安市国土空间总体规划(2021-2035年)》编制团队对接,确定规划范围为352.36平方公里。 |
|
书面 |
|
12 |
建议应进一步提高公共停车场泊位比例。根据《城市停车规划规范》GB/T51149-2016第4.2.3条公共停车场泊位比例应为10%-15%。本次规划预测六安主城区总需求为88.5-98.2万个,规划公共停车场泊位50596个,占比5.7%-5.2%,建议科学预测停车位需求,进一步优化布局方案,做好停车设施用地预留,逐步优化六安主城区停车供给结构。 |
采纳 |
根据国土空间规划及其他上位规划基础数据要求,预测2035年六安城区停车需求总量为61.9-68.6万个,结合相关规范要求预测公共6.72万个,占总停车泊位需求均值的10.8%。本次规划公共停车泊位总计73806个,其中路外公共停车泊位42894个,路内公共停车泊位30912个,满足预测需求 |
|
书面 |
|
|
13 |
建议进一步细化公共停车场用地选址深度,补充选址报告,并按照要求提交矢量文件。明确公共停车场建设形式和管控模式,独立占地的公共停车场应明确四至边界,结合地块综合开发的停车场应明确泊位规模、建议位置和可兼容建设的内容等。 |
采纳 |
已明确独立占地的公共停车场四至边界,并将矢量文件提交总规编制单位。 |
|
书面 |
|
|
14 |
补充完善轨道交通沿线及站点周边的公共停车场规划分析。合六市域铁路正在推动建设,建议结合轨道站点预留好P+R公共停车场,做好轨道客流接驳。 |
采纳 |
充分对接市域大交通的轨道交通站点规划,沿3条轨道线路周边预留好路外公共停车场和路内停车泊位,实现客流高效转换。 |
|
书面 |
|
|
15 |
方案中建筑物配建停车位等标准应与现行执行标准、相关规范衔接。如住宅小区地面停车率不得大于20%,现行标准为居住小区机动车泊位,住宅按1.3个/100平方米(其中地.上不多于0.1个/100平方米(根据消防、医疗、访客等需求适当配置),地下不少于1.2个/100平方米);商业按1.2个/100平方米(其中地_上不多于0.2个/100平方米.地下不少于1.0个/100平方米)。 |
采纳 |
已充分衔接六安市现行执行配建标准,参考国内先进地区和合肥市最新标准,调整建筑物机动车配建标准,并增加非机动车配建标准,细化现行配建标准。 |
|
书面 |
|
|
16 |
建议增加建筑物非机动车配建标准,充电桩设置标准。 |
采纳 |
已增加建筑物非机动车配建标准,充电桩配置标准研究。 |
|
书面 |
|
|
17 |
鉴于该规划已列入《六安市国土空间专项规划目录清单》,请对照有关文件要求和《安徽省国土空间专项规划衔接技术导则》补充和规范数据库成果,进一步深化和完善规划内容,确保纳入国土空间规划“一张图”,作为国土空间用途管制的依据,落实空间要素保障。 |
采纳 |
已对接衔接。 |
|
书面 |
|
|
18 |
六安市金安区人民政府 |
无意见 |
|
|
|
|
|
19 |
六安市裕安区人民政府 |
无意见 |
|
|
|
|
|
20 |
六安经济技术开发区管理委员会 |
无意见 |
|
|
|
书面 |
|
21 |
六安市人防办 |
无意见 |
|
|
|
书面 |
|
22 |
** |
学校附近停车难,接送孩子不方便;人民医院,万达等地点停车困难,人民医院因为停车位少,万达收费较贵。 |
采纳 |
优化对学校及周边区域的停车位布局,因地制宜增加路外及路内公共停车泊位。 |
|
网络留言 |
|
23 |
** |
建议老城区,该修地下停车场。老小区车位应该免费 |
采纳 |
对老城片区增加地下公共停车场,缓解用地紧张和停车难矛盾突出现象。规划暂未对停车收费政策进行修改。 |
|
网络留言 |
|
24 |
** |
应该制定分区域、分时段收费政策。对中心城区、上下班高峰期就应该提高收费。 |
未采纳 |
六安市已形成完善的停车收费政策,规划暂未对停车收费政策进行修改。 |
|
网络留言 |
|
25 |
** |
大东门,皖西路。建议结合城市更新,提高老城区的停车设施数量。 |
采纳 |
规划在老城片区结合城市更新改造增加14处路外公共停车场。 |
|
网络留言 |
文件



















































































解读
《六安市城区停车国土空间专项规划(2023-2035年)》政策解读
2025年4月24日,六安市人民政府办公室印发《六安市中心城区停车国土空间专项规划(2023-2035年)》(以下简称《规划》)。现解读如下:
一、起草背景
近年来,国家高度重视治理城市停车难,强调科学编制停车设施规划在解决“停车难”问题中的引领作用。根据公安部、住房和城乡建设部《关于加强和改进城市停车管理工作的指导意见》公交管〔2019〕345号,《国务院办公厅转发国家发展改革委等部门关于推动城市停车设施发展意见的通知》(国办函〔2021〕46号)、《关于近期推动城市停车设施发展重点工作的通知》(发改办基础〔2021〕676号)、《安徽省城市停车场建设行动方案》(建城〔2019〕120号)等文件精神,按照《安徽省国土空间规划委员会办公室关于开展国土空间专项规划编制工作的通知》(皖国土规办〔2021〕18号)和六安市国土空间规划编制清单要求,特开展《六安市中心城区停车国土空间专项规划(2023-2035年)》。
二、起草依据
本《专项规划》的起草依据包括但不限于以下内容:
国务院《中华人民共和国城乡规划法》、《城市停车设施规划导则》(建城[2015]129号)、《城市停车规划规范》(GB/T51149-2016)等相关规范要求,同时参考了安徽省人民政府《安徽省国民经济和社会发展第十四个五年规划和2035年远景目标纲要》、六安市人民政府《六安市国民经济和社会发展第十四个五年规划和2035年远景目标纲要》、市自然资源和规划局《六安市国土空间总体规划(2021-2035年)》等规划文件。
三、起草过程
2022年6月启动编制工作。2022年6月至7月,编制单位开展停车普查、资料收集等工作;2022年8月,编制单位与我局初步对接普查报告编制成果;2022年9月,编制单位向我局汇报规划编制初步成果;2022年10月,我局组织召开部门意见征求会,征求了市自然资源局等相关部门意见;2023年4月,编制单位与市自然资源局、六安市国土空间总体规划编制团队进行沟通对接,并形成书面意见;2023年8月至9月,编制单位向我局汇报修改后的项目成果,并对新增停车场进行了补充踏勘;2023年11月,我局组织召开专家评审会,并形成专家评审意见;2023年12月至2024年10月,经修改完善,形成规划文本、图件、说明书、普查报告、矢量数据等正式成果;2024年11月通过小规委会审查,其后编制单位根据小规委会审查意见对规划成果进行进一步修改完善。2025年2月10日,报六安市自然资源规划(林长制及绿化)委员会2025年第一次全体委会会议审查通过。2025年4月24日获市政府审批(六政秘〔2025〕37号)。
四、主要内容
(一)明确停车规划目标。
形成以配建为主,路外公共停车场为辅,路内公共泊位为补充,体现新城适度、老城控制的停车供应体系,并通过智慧加持,政策机制建立,规范停车秩序,提升城市空间颜值,助力六安市打造“水城六安、绿城六安、文城六安”,建设理想的宜居城市。近期以问题为导向,缓解重点片区停车供需矛盾。配建泊位与公共泊位占比分别达到80%-90%、10%-20%。远期以目标为导向,满足车辆总体停车需求。泊位总数控制在小汽车拥有量的1.2倍;配建泊位与公共泊位占比分别达到 85%-95%、5%-15%。
(二)停车分区明确区域政策
针对不同的供需平衡策略,不同的现状和规划设施条件,不同的停车发展阶段,将六安市中心城区主城区分为一类区、二类区、三类区共三个大类。在进行停车需求预测的过程中,根据六安市用地特征、交通运行特征、控规编制单元和本次需求预测目标,将六安市研究范围划分成5个交通大区、28个交通小区。
(三)停车总体规划
本次规划六安市中心城区六安城区路外公共停车泊位需求总量为41753到46230个,现状路外公共停车场共72处,泊位为8856个,停车泊位缺口至少32897个,规划新增规划停车场135个,并将18个具有公共属性的配建停车场纳入路外公共停车场,合计提供42894 个泊位,满足规划需求。依据六安市停车现状、需求预测及为来年城市用地规划、道路网交通规划等,规划近期在现状22602个路内泊位的基础上新增增8900个,取消产权不清晰车位1675个,泊位总数为29827个,主要分布于商业广场、公共基础设施及医疗卫生设施周边。结合六安市货运枢纽规划,工业园区和物流仓储用地布局,结合城市出入口,本次规划新增以下 6处货运停车场,根据国土空间总体规划中心城区主城区用地布局,远期取消现状1处货运停车场。
五、创新举措
(一)整合边角地块资源,拓展停车空间
通过地毯式摸排梳理出城市零星边角地块,将其规划为停车场、口袋公园等设施。结合地块所在区域需求,灵活布局生态停车场、邻里中心、公办幼儿园等多功能设施。
(二)智慧化停车管理与服务升级
依托省级充换电监管服务平台,整合全市停车场数据,提供实时泊位查询、导航及预约服务,打造“路内路外一张网”的智慧停车体系。通过动态定价和智能化改造,提高车位周转率。
(三)部门协同与审批流程优化
联审机制简化流程:设立工程建设项目审批综合服务窗口,推行“一窗受理、并联审批”,缩短充换电设施建设周期。将停车设施布局纳入国土空间规划“一张图”,强化与竖向规划、交通规划的衔接,确保土地高效利用和工程可行性。



皖公网安备 34150102000050号