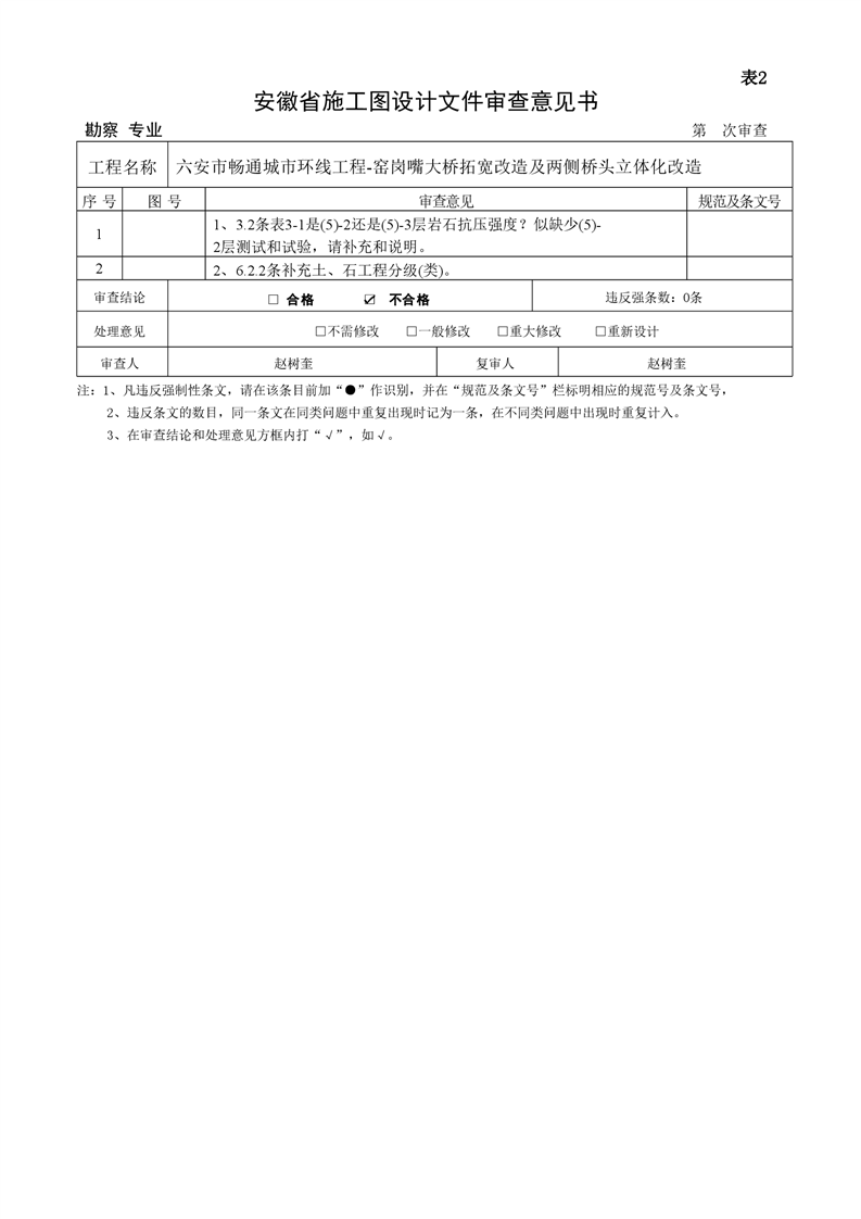
2021-ahsjts-S0001_六安市畅通城市环线工程-窑岗嘴大桥拓宽改造及两侧桥头立体化改造_审查报告

























标签:
扫一扫在手机打开当前页
关联信息



皖公网安备 34150102000050号