关于公开征求《六安市建筑垃圾污染环境防治工作规划(2024-2035年)》(征求意见稿) 意见的公告
- 征集公告
- 征集渠道
- 网络渠道意见及采纳情况
- 其他渠道意见及采纳情况
- 征集小结(结果反馈)
- 文件
- 解读
为广泛听取社会公众意见,增强立法的公开性和透明度,进一步提高立法质量,现将我局牵头起草的《六安市建筑垃圾污染环境防治工作规划(2024-2035年)》(征求意见稿) ,公开征求社会公众意见。具体事项如下:
一、征集时间:2024年7月25日至2024年8月24日。
二、征集方式:
(一)登录六安市人民政府网“全市政府网站意见征集平台”(http://www.luan.gov.cn/hdjl/yjzjk/yjzjk/index.html)或六安市城市管理局网站“征集调查”栏目(http://cgj.luan.gov.cn/hdjl/yjzj/index.html)留言;
(二)书面信件。邮寄地址:六安市佛子岭中路城市管理局6楼市容环境管理科,邮政编码:237000;
(三)电子信件。邮箱:lascgjsrk@126.com;
(四)联系人:杨盼盼,联系电话:0564-3377829。
来函来件,请在信封表面或者来件主题注明“六安市建筑垃圾污染环境防治工作规划”字样。
附件:1.关于《六安市建筑垃圾污染环境防治工作规划(2024-2035年)》(征求意见稿)的起草说明
2.《六安市建筑垃圾污染环境防治工作规划(2024-2035年)》(征求意见稿)
六安市城市管理局
2024年7月25日
关于《六安市建筑垃圾污染环境防治工作规划(2024-2035年)》(征求意见稿)的起草说明
为进一步规范我市建设垃圾全过程管理,推动建筑垃圾治理水平,推进“无废城市”建设,我局组织起草了《六安市建筑垃圾污染环境防治工作规划(2024-2035年)》(征求意见稿)(以下简称《工作规划》),现将有关情况说明如下:
一、编制背景和理由
(一)建筑垃圾处理已成为生态文明建设重要一环。2020年9月1日,新修订的《中华人民共和国固体废物污染环境防治法》正式施行,将建筑垃圾单独作为固体废物的一大类进行管理,规定县级以上地方人民政府应当加强建筑垃圾污染环境的防治,建立建筑垃圾分类处理制度、全过程管理制度、回收利用体系,并对推进建筑垃圾源头减量、加强处置设施和场所建设、推动综合利用产品应用等作出了新的规定。为加快补齐建筑垃圾处理短板,切实提高环境卫生管理水平,我们亟需组织编制专项规划,认真分析现状及存在问题,针对性地提出规划目标,有计划、有步骤地推进设施建设,健全收运处置体系,与城市发展相协调,推动我市环境卫生管理事业高质量发展。
(二)《中华人民共和国固体废物污染环境防治法》提出明确要求。《固废法》第六十条第二款明确要求:县级以上地方人民政府应当制定包括源头减量、分类处理、消纳设施和场所布局及建设等在内的建筑垃圾污染环境防治工作规划。县级以上地方人民政府在编制国土空间规划和相关专项规划时,应当统筹建筑垃圾转运、集中处置等设施建设需求,保障转运、集中处置等设施用地。《工作规划》的出台实施,将为我市实现建筑垃圾减量化、资源化、无害化提供基础保障。
二、编制依据及过程
依据《中华人民共和国固体废物污染环境防治法》(2020年修订)、《中华人民共和国城乡规划法》(2019年修订)、《中华人民共和国环境保护法》、《城市市容和环境卫生管理条例》、《城市建筑垃圾管理规定》、《六安市建筑垃圾管理办法》等有关法律法规,《建筑垃圾减量化设计标准》(T/CECS1121-2022)、《建筑垃圾转运处理电子联单管理标准》(T/CECS1210-2022)、《城市环境卫生设施规划规范》(GB50337-2018)、《建筑垃圾处理技术标准》(CJJ/T134-2019)等国家和部门有关标准、规范,《住房和城乡建设部关于推进建筑垃圾减量化的指导意见》(建质〔2020〕46号)、安徽省《关于加强建筑垃圾管理及资源化利用的指导意见》的通知(建督〔2020〕96号)等有关文件。
我局委托思城设计集团有限公司编制《六安市建筑垃圾污染环境防治工作规划(2024-2035年)》,6月底梳理汇编了编制依据,7月初并完成《工作规划》初稿,在仔细研究、多次论证的基础上起草了《工作规划》征求意见稿。
三、规划主要内容
《工作规划》主要内容包括:总则、目标、规模预测、源头减量、收集运输、利用及处置、存量治理、监督管理、资源化利用产业发展、环境保护与安全卫生、近期实施计划、保障措施和实施建议等等章节内容。规划详细内容见规划文本及图纸。重点规划内容如下:
(一)规划指标体系
近期目标(2024~2025年):完善建筑垃圾治理的顶层设计;理顺建筑垃圾管理体制;摸清底数,探索建立建筑垃圾信息化监管平台;进一步落实建筑垃圾处置核准制度;初步缓解建筑垃圾产生量与处理设施能力不足的矛盾;加强建筑垃圾源头分类、控源减量,加快提升建筑垃圾安全处置水平。
中期目标(2026~2030年):建筑垃圾控源减量初见成效;建筑垃圾处理设施能力与产生量基本匹配;建立电子联单管理制度,完善建筑垃圾信息化监管平台建设;提升建筑垃圾规范化分类、排放、运输和资源化利用水平,初步实现建筑垃圾从源头到末端的全过程管控。
远期目标(2031~2035年):建立市域统筹、布局合理、技术先进、资源得到有效利用的建筑垃圾处理体系;建立安全有序、全程可控的建筑垃圾收运系统;初步形成链条完整、环境友好、良性发展的建筑垃圾产业体系;实现规划范围内建筑垃圾从源头到末端全过程信息化、智能化管理;使规划范围内建筑垃圾源头减量目标、综合利用率、资源化利用率、资源化产品利用目标等得到全面提升,力争实现“无废城市”目标。
(二)建筑垃圾收运体系规划
结合六安市现状,现状裕安区建筑垃圾处理厂位于裕安区小糖坊,各区平均运输距离均超过 20千米,适合设置转运调配场。根据各区工程垃圾、装修垃圾量,并按 20%考虑拆除垃圾,并结合六安市环境卫生设施布局国土空间专项规划(2022~2035),近期拟建4处建筑垃圾调配场(位于环卫综合体基地内),远期至2035年六安市共拟建设7处建筑垃圾调配场(位于环卫综合体基地内)。
(三)建筑垃圾处理方式规划
工程垃圾、拆除垃圾以资源化处理设为主,主要处理方式为固定式资源化处理+移动式资源化处理,无资源化处理条件的工程回填;装修垃圾处理方式为工程回填+资源化处理;工程渣土、工程泥浆为综合利用+工程回填。根据相关法规及文件要求,《工作规划》还提出建筑垃圾源头减量相关措施。
(四)建筑垃圾处理设施规划
《工作规划》合理预测建筑垃圾产生量,根据设定的指标体系确定消纳及资源化处理需求。规划新增建筑垃圾消纳场所1座,位于紫薇路跟藴山路交叉口东北侧。规划新增1座资源化处理设施,位于分路口镇宁西线四合段以北、纵二路以西。
(五)智能管理信息系统
建筑垃圾信息管理系统的建设可分为两部分,一是建筑垃圾收运管理系统,二是建筑垃圾排放及资源化产品管理系统。收运管理系统根据现有的或准备出台的建筑垃圾运输管理办法建立准入制度,并建立对应的建筑垃圾运输单位信息库,建筑垃圾运输司机信息库,建筑垃圾运输车辆信息库,建筑垃圾消纳场信息库。建立建筑垃圾运输车辆“两点一线”实时管理。“两点一线”管理的“两点”是指,出土工地,和建筑垃圾消纳场,“一线”主要指建筑垃圾运输车辆的行经路线及路线上的车辆行为。
(六)建筑垃圾管理
《工作规划》进一步强调部门联合执法职责,以及相关部门披露行业信息、宣传发动的职责等。针对消纳和资源化处理设施,《工作规划》明确安全风险评估工作制度及工作内容,风险评估工作实施包括风险评估准备工作、风险评估单元划分及各单元风险评估控制措施。
其他渠道意见及采纳情况
| 关于征求 《六安市建筑垃圾污染环境防治工作规划 (2024-2035年) 》 (征求意见稿)意见收集汇总明细表 | |||||||
| 序号 | 单位 | 反馈时间 | 反馈意见 | 采纳 情况 | 未采纳 理由 | 来源 | 备注 | 
| 1 | 市司法局 | 2024.8.15 | 《工作规划》属于重大行政决策,根据《重大行政决策程序暂行条例》的规定,征求意见不能代替合法性审查。建议《工作规划》正式公布前,履行相应的合法性审查程序。 | 已采纳 | 书面 | ||
| 2 | 市审计局 | 2024.8.15 | 无意见 | 书面 | |||
| 3 | 金安区政府 | 2024.8.16 | 无意见 | 书面 | |||
| 4 | 市自然资源和规划局 | 2024.8.17 | 一、城区人口预测数据已多次提供给贵单位。二、建议垃圾消纳场选址布局充分衔接《六安市国土空间规划(2021-2035年)》、专项规划、详细规划等规划,并征求属地政府意见。待拟选位置确定后再提交至我局进行合规性套核。三、根据《分路口镇环城南路以南片区控制性详细规划》,建议将第24条处置规划——建筑垃圾资源化利用处置场规划中分路口镇宁西线四合段以北、纵二路以西地块用地性质由“工业用地”改为“公用设施用地”。 | 已采纳 | 书面 | ||
| 5 | 市住建局 | 2024.8.19 | 无意见 | 书面 | |||
| 6 | 市交通局 | 2024.8.19 | 无意见 | 书面 | |||
| 7 | 叶集区政府 | 2024.8.19 | 无意见 | 书面 | |||
| 8 | 市生态环境局 | 2024.8.19 | 无意见 | 书面 | |||
| 9 | 裕安区政府 | 2024.8.20 | 第3条规划依据第1点,建议增加《中华人民共和国土地管理法》。第21条收运设施规划第1点(1),建议修改为:便利收运:考虑群众的投放习惯,结合最佳收运路径,科学合理的布点,并符合相关国土空间规划的要求。第21条收运设施规划第4点,建议修改为:建筑垃圾转运调配场的用地性质不可以为临时用地。第24条处置规划第1点(1),应符合《六安市国土空间总体规划(2021-2035年)》、《六安市环境卫生设施布局国土空间专项规划(2022-2035)》以及国家现行有关标准的规定。 | 已采纳 | 书面 | ||
| 10 | 市发改委 | 2024.8.20 | 无意见 | 书面 | |||
| 11 | 市林业局 | 2024.8.20 | 无意见 | 书面 | |||
| 12 | 市财政局 | 2024.8.20 | 无意见 | 书面 | |||
| 13 | 市水利局 | 2024.8.22 | 无意见 | 书面 | |||
| 14 | 市开发区管委 | 2024.8.23 | 建议取消位于开发区蓼城路与九德路交口建筑垃圾转运调配场选址,另行选择远离城市中心且不影响周边环境的位置,理由为:1.该位置紧邻六安高铁北站,是开发区未来发展核心区域,不适宜建筑垃圾转运布点。2.蓼城路作为城市快速路是进入六安的重要道路,是城市景观的重要节点,该选址位置会破坏园区整体形象。 | 未采纳 | 此处建筑垃圾调配场所为《六安市环境卫生设施布局国土空间专项规划(2022~2035)》确定的环卫中心位置。 | 书面 | |
| 15 | 市公安局 | 2024.9.5 | 一、第四章第19条第二款:监管部门,建议删除公安交警部门作为收运体系的监管部门及职责任务,收运队伍建设与公安交警部门职责任务不符。 二、第四章第20条收运线路:建议原文修改为“因建筑垃圾运输需要,确需在禁限行区域、路段、时段通行的黄牌货车,可通过“交管12123”APP提前申领城市货车通行码,按核准的时间、路线通行。” 三、第六章第26条部门职责:公安机关:建议修改为:“负责建筑垃圾运输车辆交通安全管理工作;严厉查处以暴力、威胁等手段扰乱运输市场、妨碍执法等违法行为” | 已采纳 | 书面 | ||
征集小结(结果反馈)反馈时间:2024年9月18日 9时55分
| 为进一步规范我市建设垃圾全过程管理,推动建筑垃圾治理水平,推进“无废城市”建设,市城管局组织起草了《六安市建筑垃圾污染环境防治工作规划(2024-2035年)》(征求意见稿)(以下简称《工作规划》),并于2024年7月25日至8月24日,通过电子邮箱、网站公开、书面等方式向社会及有关单位征集相关意见和建议。本次共征集有关单位反馈意见15条,公众反馈意见5条,其中未采纳1条,吸收采纳4条,无意见10条,建议性意见5条。采纳情况详见下表。 | |||||||
| 关于征求 《六安市建筑垃圾污染环境防治工作规划 (2024-2035年) 》 (征求意见稿)意见收集汇总明细表 | |||||||
| 序号 | 单位 | 反馈时间 | 反馈意见 | 采纳 情况 | 未采纳 理由 | 来源 | 备注 | 
| 1 | 市司法局 | 2024.8.15 | 《工作规划》属于重大行政决策,根据《重大行政决策程序暂行条例》的规定,征求意见不能代替合法性审查。建议《工作规划》正式公布前,履行相应的合法性审查程序。 | 已采纳 | 书面 | ||
| 2 | 市审计局 | 2024.8.15 | 无意见 | 书面 | |||
| 3 | 金安区政府 | 2024.8.16 | 无意见 | 书面 | |||
| 4 | 市自然资源和规划局 | 2024.8.17 | 一、城区人口预测数据已多次提供给贵单位。二、建议垃圾消纳场选址布局充分衔接《六安市国土空间规划(2021-2035年)》、专项规划、详细规划等规划,并征求属地政府意见。待拟选位置确定后再提交至我局进行合规性套核。三、根据《分路口镇环城南路以南片区控制性详细规划》,建议将第24条处置规划——建筑垃圾资源化利用处置场规划中分路口镇宁西线四合段以北、纵二路以西地块用地性质由“工业用地”改为“公用设施用地”。 | 已采纳 | 书面 | ||
| 5 | 市住建局 | 2024.8.19 | 无意见 | 书面 | |||
| 6 | 市交通局 | 2024.8.19 | 无意见 | 书面 | |||
| 7 | 叶集区政府 | 2024.8.19 | 无意见 | 书面 | |||
| 8 | 市生态环境局 | 2024.8.19 | 无意见 | 书面 | |||
| 9 | 裕安区政府 | 2024.8.20 | 第3条规划依据第1点,建议增加《中华人民共和国土地管理法》。第21条收运设施规划第1点(1),建议修改为:便利收运:考虑群众的投放习惯,结合最佳收运路径,科学合理的布点,并符合相关国土空间规划的要求。第21条收运设施规划第4点,建议修改为:建筑垃圾转运调配场的用地性质不可以为临时用地。第24条处置规划第1点(1),应符合《六安市国土空间总体规划(2021-2035年)》、《六安市环境卫生设施布局国土空间专项规划(2022-2035)》以及国家现行有关标准的规定。 | 已采纳 | 书面 | ||
| 10 | 市发改委 | 2024.8.20 | 无意见 | 书面 | |||
| 11 | 市林业局 | 2024.8.20 | 无意见 | 书面 | |||
| 12 | 市财政局 | 2024.8.20 | 无意见 | 书面 | |||
| 13 | 市水利局 | 2024.8.22 | 无意见 | 书面 | |||
| 14 | 市开发区管委 | 2024.8.23 | 建议取消位于开发区蓼城路与九德路交口建筑垃圾转运调配场选址,另行选择远离城市中心且不影响周边环境的位置,理由为:1.该位置紧邻六安高铁北站,是开发区未来发展核心区域,不适宜建筑垃圾转运布点。2.蓼城路作为城市快速路是进入六安的重要道路,是城市景观的重要节点,该选址位置会破坏园区整体形象。 | 未采纳 | 此处建筑垃圾调配场所为《六安市环境卫生设施布局国土空间专项规划(2022~2035)》确定的环卫中心位置。 | 书面 | |
| 15 | 市公安局 | 2024.9.5 | 一、第四章第19条第二款:监管部门,建议删除公安交警部门作为收运体系的监管部门及职责任务,收运队伍建设与公安交警部门职责任务不符。 二、第四章第20条收运线路:建议原文修改为“因建筑垃圾运输需要,确需在禁限行区域、路段、时段通行的黄牌货车,可通过“交管12123”APP提前申领城市货车通行码,按核准的时间、路线通行。” 三、第六章第26条部门职责:公安机关:建议修改为:“负责建筑垃圾运输车辆交通安全管理工作;严厉查处以暴力、威胁等手段扰乱运输市场、妨碍执法等违法行为” | 已采纳 | 书面 | ||
| 16 | **礼 | 2024.8.7 | 《六安市建筑垃圾污染环境防治工作规划(2024-2035年)》(征求意见稿)意见 工程建设领域到目前为止,未见报到工程建设占地范围表层耕植土作为自然资源管理,希望当地工程建设重视耕植土,为社会起表率,利于子孙后代造福人类生存环境。 工程渣土并非建筑垃圾。表层耕植土是农用耕地和城市绿化的优质自然资源;下层自然土是建筑回填材料物质资源。 耕植土作为一种宝贵的自然资源,其再生能力极为有限。 在城市建设和交通建设等用地范围内,大量表层耕植土混迹于建筑垃圾。在建设用地范围内,原本肥沃的耕植土若未能得到恰当的利用,是对土地资源的巨大浪费,是对自然资源的一种不合理的处置方式。因此,对于耕植土的保护和合理利用,应当成为我们社会发展过程中的一项重要任务。 建议:工程渣土应作为资源管理,不能作为垃圾管理。建立耕植土和非耕植自然土分类管理和使用。 1.工程建设用地空间范围内,所有耕植土全部收储,统筹用于土地复耕和城市绿化用地土源,确保复耕质量,以确保这一不可再生的资源得到最大限度的珍惜和高效利用。 2.非耕植自然土,统筹调配该规划已有提及。 | 为建议性意见 | 网络留言 | ||
| 17 | **宇 | 2024.8.20 | 我高度肯定这个规划,但是我觉得,建筑垃圾要有去处。 | 为建议性意见 | 网络留言 | ||
| 18 | **林 | 2024.8.20 | 要加大乱倒建筑垃圾的执法力度。 | 为建议性意见 | 网络留言 | ||
| 19 | **生 | 2024.8.20 | 建议重点关注建筑垃圾产生的个人和企业,特别是房屋装修的零星建筑垃圾,经常在小区看到居民将零星的建筑垃圾直接倒入生活垃圾桶内,要加大对不按规定要求倾倒建筑产生建筑垃圾产生者的处罚力度。 | 为建议性意见 | 网络留言 | ||
| 20 | **婷 | 2024.8.20 | 治理建筑垃圾能够改善人居环境,支持这项工作。 | 为建议性意见 | 网络留言 | ||
文件









































解读
《六安市建筑垃圾污染环境防治工作规划(2024-2035年)》政策解读
2024年11月13日,六安市人民政府办公室印发《六安市建筑垃圾污染环境防治工作规划(2024-2035年)》(以下简称《规划》)。现解读如下:
一、编制背景
以习近平新时代中国特色社会主义思想为指导,全面贯彻落实党的二十大和二十届二中、三中全会精神,深入学习贯彻习近平生态文明思想和习近平总书记关于城市工作的重要论述,按照国家、省对于建筑垃圾污染防治工作的最新要求,坚持问题导向、系统治理,将推进建筑垃圾污染防治工作作为生态文明建设、城市精细化管理和基层治理的重要抓手,坚持生态优先,建立健全建筑垃圾处置体系,加强建筑垃圾的全流程精细化管理,推动建筑垃圾综合利用,防止环境污染,促进经济、社会和环境持续发展。根据《中华人民共和国固体废物污染环境防治法》的要求,特编制《六安市建筑垃圾污染环境防治工作规划(2024-2035年)》(以下简称规划)。
二、编制过程
我局委托编制单位编制《六安市建筑垃圾污染环境防治工作规划(2024-2035年)》,6月底梳理汇编了编制依据,7月初完成《规划》初稿,在仔细研究、多次论证的基础上起草了《规划》(征求意见稿)。2024年7月25日,网上公开征求社会各界的意见建议;2024年8月14日,征求了市直相关单位、各区人民政府意见建议,并根据各单位反馈的意见进行修改完善。2024年9月4日,组织召开专家《规划》评审会,并根据专家评审意见进行了修改。10月10日,《规划》(征求意见稿)通过市市场监管局公平竞争审查。10月18日,《规划》(征求意见稿)通过市司法局合法性审查。同日,市政府专题召开《规划》送审稿论证会,再次征求相关单位的意见和建议。结合各方意见,我们对《规划》进行了修改完善,形成送审稿。
三、规划依据
(一)法律法规
《中华人民共和国固体废物污染环境防治法》(2020年修订);
《中华人民共和国环境保护法》(2014年修订);
《中华人民共和国循环经济促进法》(2018年修订);
《中华人民共和国城乡规划法》(2019年修订);
《中华人民共和国大气污染防治法》(2018年修订);
《中华人民共和国噪声污染防治法》(2021年修订);
《建设项目环境保护管理条例》(2017年修订);
《城市建筑垃圾管理规定》(住建部〔2005〕139号令);
《城市市容和环境卫生管理条例》(2017年修订);
《市政公用事业特许经营管理办法》(2015年);
《城市规划编制办法实施细则》(2006年);
《建筑垃圾资源化利用行业规范条件(暂行)》;
《安徽省城乡规划条例》(2010年);
(二)标准规范
《城市环境卫生设施规划标准》(GB/T50337-2018);
《建筑垃圾减量化设计标准》(T/CECS1121-2022);
《危险废物贮存污染控制标准》(GB18597-2023);
《环境卫生设施设置标准》(CJJ27-2012);
《建筑垃圾处理技术标准》(CJJ/T134-2019);
《市容环境卫生术语标准》(CJJ/T65-2004);
《危险废物收集、贮存、运输技术规范》(HJ2025-2012);
《建筑垃圾转运处理电子联单管理标准》(T/CECS1210-2022);
(三)政策文件及相关规划
《中共中央国务院关于进一步加强城市规划建设管理工作的若干意见》(中发〔2016〕6号);
《国务院关于加快建立健全绿色低碳循环发展经济体系的指导意见》(国发〔2021〕4号);
《国务院办公厅转发国家发展改革委等部门关于加快推进城镇环境基础设施建设指导意见的通知》(国办函〔2022〕7号);
《国务院办公厅关于加快构建废弃物循环利用体系的意见》(国办发〔2024〕7号);
《关于“十四五”大宗固体废弃物综合利用的指导意见》(发改环资〔2021〕381号);
《住房和城乡建设部国家发展改革委关于印发城乡建设领域碳达峰实施方案的通知》(建标〔2022〕53号);
《住房和城乡建设部关于推进建筑垃圾减量化的指导意见》(建质〔2020〕46号);
《安徽省关于加强建筑垃圾管理及资源化利用的指导意见的通知》(建督〔2020〕96号);
《六安市“十四五”生态环境保护规划》;
《六安市环境卫生设施布局国土空间专项规划》(2022-2035)。
(四)其他
其他相关基础资料及文件。
四、规划范围
本次规划范围与《六安市国土空间总体规划(2021-2035 年)》中确定的六安市城区范围保持一致,规划的目标与相关指标适用于六安市行政区域,各县区相关规划需落实本规划要求。
五、规划对象
本规划中建筑垃圾是指工程渣土、工程泥浆、工程垃圾、拆除垃圾和装修垃圾等的总称。包括新建、扩建、改建和拆除各类建筑物、构筑物、管网以及居民装饰装修房屋过程中所产生的弃土、弃料及其他废弃物,不包括经检验、鉴定为危险废物的建筑垃圾。
1.工程渣土:各类建筑物、构筑物、管网等基础开挖过程中产生的弃土。
2.工程泥浆:钻孔桩基施工、地下连续墙施工、泥水盾构施工、水平定向钻及泥水顶管等施工产生的泥浆。
3.工程垃圾:各类建筑物、构筑物等建设过程中产生的弃料。
4.拆除垃圾:各类建筑物、构筑物等拆除过程中产生的弃料。
5.装修垃圾:装饰装修过程中产生的废弃物。
六、主要内容
《规划》主要内容包括:总则、现状分析与规模预测、规划目标、源头减量、收集运输、利用处置、存量治理、监督管理、信息化、环境污染防控、近期实施计划、保障措施等十二章节内容。重点规划内容如下:
(一)总体目标
提高建筑垃圾处理减量化、资源化、无害化水平,逐步建立市域统筹、布局合理、技术先进、资源得到有效利用的建筑垃圾处理系统;加快构建规范有序、安全卫生、全程可控的建筑垃圾收运系统;促进形成链条完整、环境友好、良性发展的建筑垃圾产业体系。着力建设建筑垃圾全过程环境保护与安全卫生管控机制,建立信息化监管服务体系;基本形成建筑垃圾源头、收运、终端全过程闭环管理,完善建筑垃圾治理模式。
——源头减量措施得到有效落实。新建建筑施工现场建筑垃圾排放量每万平方米不高于250吨(不包括工程渣土、工程泥浆),装配式建筑施工现场建筑垃圾排放量每万平方米不高于200吨(不包括工程渣土、工程泥浆),新开工装配式建筑面积占新建建筑比例满足国家和地方政策要求。
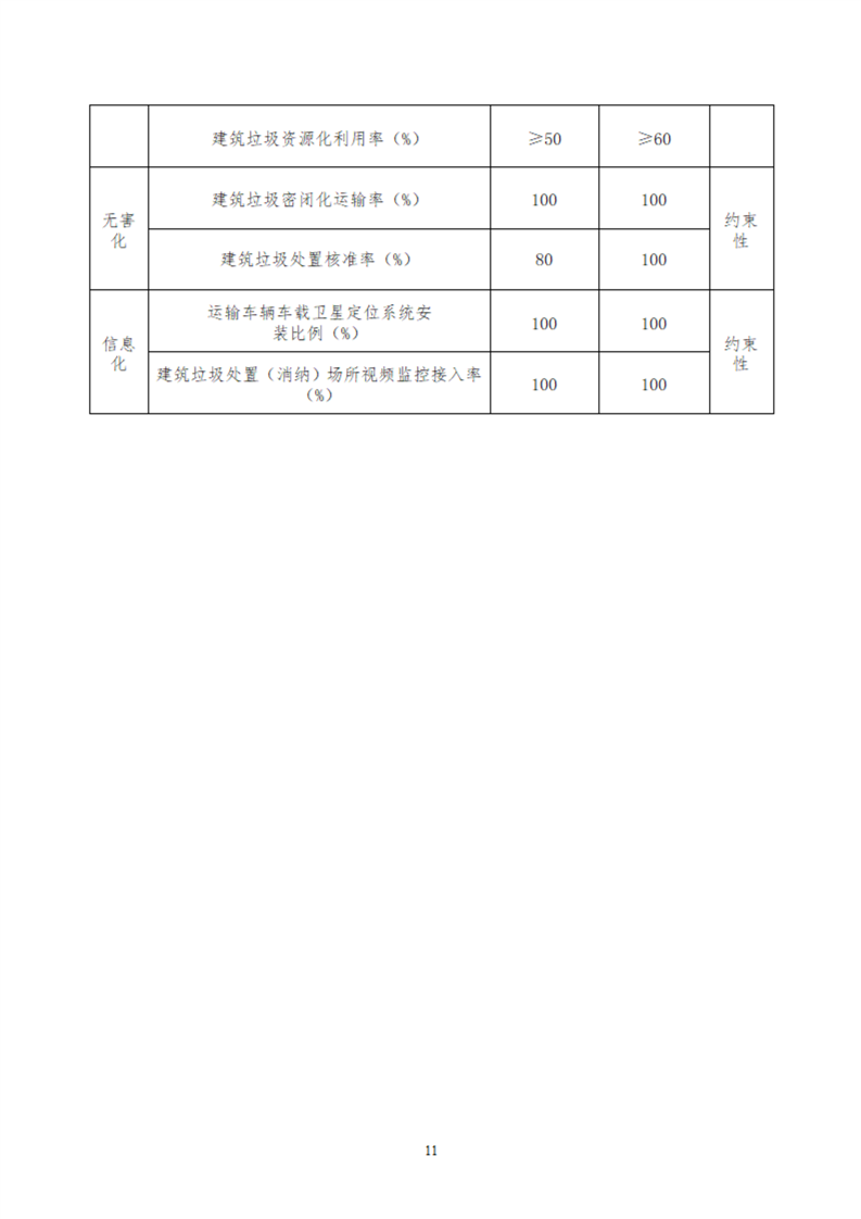
——收集运输环节更加安全有序和绿色环保。建筑垃圾处置核准率、建筑垃圾密闭化运输率和车载卫星定位安装率达到100%,新能源建筑垃圾运输车辆得到积极推广使用,建筑垃圾实现分类收集、应收尽收、分类运输。
——建筑垃圾处置水平与城市发展相匹配。统筹规划建成一批规范的建筑垃圾处置设施,建筑垃圾综合利用率达到80%以上,资源化利用率达到60%以上。
(二)收集运输规划
1.分类收集规划。针对五大类建筑垃圾的收集点设置,工程垃圾、拆除垃圾和工程渣土(泥浆)的收集点通常设置在施工现场,由施工单位进行分类收集,不单独设置收集点。装修垃圾需根据各地区实际情况进行设置,装修垃圾收集点设置时需遵循“便利收运、分类收集、安全可行”的原则。《规划》对新建住宅区或商业楼栋、物业服务企业、已建住宅区或商业楼栋等进行了要求。
2.收运体系规划。建筑垃圾的收运应由已在城管部门备案的建筑垃圾收运公司负责运输。所有建筑垃圾的运输企业,需向所在地城市管理部门进行申请、登记、备案。《规划》对收运流程、收运车辆与线路、收运线路进行了明确。
(三)处理方式规划
工程垃圾、拆除垃圾主要处理方式为固定式资源化处理+移动式资源化处理,无资源化处理条件的填埋消纳;装修垃圾主要处理方式为填埋消纳+资源化处理+不具备资源化利用但宜焚烧的建筑垃圾按规定送至指定的生活垃圾焚烧厂处置;工程渣土主要处理方式为综合利用+填埋消纳;工程泥浆主要处理方式为填埋消纳,有条件的可以进行综合利用。根据相关法规及文件要求,《规划》还提出建筑垃圾源头减量相关措施。
(四)处置设施规划
1.建筑垃圾消纳场规划。规划在紫薇路跟藴山路交叉口东北侧的生活垃圾卫生填埋场北侧设置一处建筑垃圾消纳场。面积约4.1万平米。
2.建筑垃圾资源化利用处置场规划。根据六安市中心城区建筑垃圾量预测,规划中心城区范围内建筑垃圾(工程垃圾、拆除垃圾、装修垃圾)总量最高不超过55万吨/年,本次规划在分路口镇宁西线四合段以北、纵二路以西设置一处资源化利用处置场,规模为100万吨/年,该建筑垃圾处理厂可满足中心城区的处理需求。
3.建筑垃圾转运调配设施。规划近期拟建5处建筑垃圾调配场(六安城区4处位于环卫综合体基地内),每处建筑垃圾调配场用地需求不少于3000平方米。
(五)监督管理
《规划》根据《六安市建筑垃圾管理办法》,建筑垃圾管理以属地管理为原则,市城市管理部门统一负责建筑垃圾处置指导、监督工作;区城市管理部门负责本行政区域内建筑垃圾处置管理工作。住房城乡建设、交通运输、生态环境、公安、自然资源和规划、发展改革、财政、税务等部门按照各自职责,做好建筑垃圾处置管理的相关工作。各相关部门要按照各自职能,对建筑垃圾产生源头、运输过程、消纳渠道等各个环节落实严密的措施,实施严格的监管,建立联合执法制度,加强工作衔接,互通管理信息,强化日常管理,做到既各司其职,又协同共管。
七、解读部门及政策咨询电话
解读部门:六安市城市管理局市容环境管理科
咨询电话:0564-3377829
工作时间:工作日上午8:00-12:00,下午14:30-5:30。



 皖公网安备 34150102000050号
皖公网安备 34150102000050号